欢迎光临~泰兴市宏盛减速机制造有限公司
网站地图
RSS订阅
咨询电话:0523-87665413
导航菜单
导航菜单
网站首页
公司简介
新闻中心
公司新闻
行业新闻
常见问题
产品中心
硬齿面减速机
H、B工业齿轮箱
KFRS系列
摆线针轮减速机
电动滚筒
搅拌机
软齿面减速机
三环减速机
行星减速机
中硬齿面减速机
企业文化
服务理念
联系我们
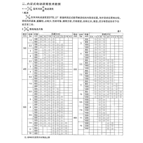
YD TN型油冷式电动滚筒
YD TN型油冷式电动滚筒
上架时间:2021-03-23
产品描述:....
在线订购
YD TN型油冷式电动滚筒
上一个:
YDY1型油冷式移动式电动滚筒
下一个:
X系列摆线针轮减速机
相关产品
YD TN型油冷式电动滚筒
产品分类
硬齿面减速机
+
H、B工业齿轮箱
+
KFRS系列
+
摆线针轮减速机
+
电动滚筒
+
搅拌机
+
软齿面减速机
+
三环减速机
+
行星减速机
+
中硬齿面减速机
+
新闻中心
泰兴市宏盛减速机制造
泰兴市宏盛减速机制造
泰兴市宏盛减速机制造
泰兴市宏盛减速机制造
泰兴市宏盛减速机制造
关键词
ZLY硬齿面减速机
ZSY硬齿面减速机
泰兴硬齿面减速机厂家
联系我们
CONTACT US
联系人:殷经理
手 机:13812497907
邮 箱:1005067818@qq.com
公 司:泰兴市宏盛减速机制造有限公司
地 址:泰兴市城东工业园
返回首页
LBS
热线电话
一键信息